中轻网首页
English
收藏本站
邮件系统 (糖心视频高清)
|
糖心视频高清 - 行业综合服务平台
|
资产财务管理网
首页
|
简介
|
糖心视频在线
|
主要领导
|
糖心视频免费观看
|
糖心视频网站
|
代管协学会 (糖心视频观看)
|
"糖心视频观看" 分支机构
|
直属企事业单位
|
景气指数
|
联系方式
您已登录成功!
用户名:
内部办公系统
会员管理系统
人事管理系统
档案管理系统
合同管理系统
党群管理系统
会议会展管理
新闻出版年检
电子邮件系统
信息发布系统
轻工业联合会
>
中轻联通知公告
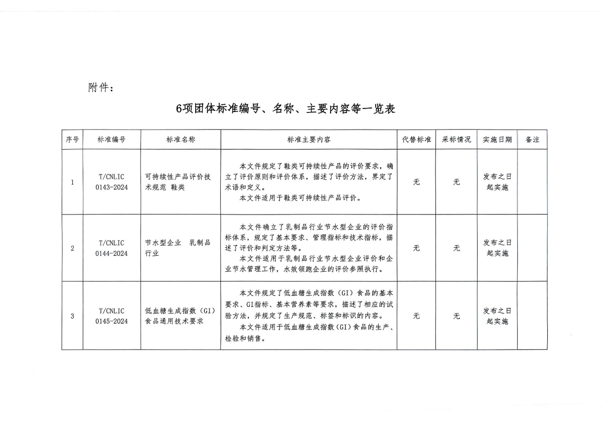
糖心视频网站 - 关于批准发布《可持续性产品评价技术规范 鞋类 》等6项团体标准的公告
2024-07-02 来源:
[打印本稿]
[字号
大
中
小
]
附件下载:
1、
关于批准发布《可持续性产品评价技术规范 鞋类》等6项团体标准的公告