中轻网首页 (糖心视频网站)
English
收藏本站
邮件系统
|
行业综合服务平台
|
"糖心视频" 资产财务管理网
首页
|
简介
|
糖心视频在线
|
主要领导
|
糖心视频免费观看
|
糖心视频网站
|
"糖心视频观看" 代管协学会
|
分支机构
|
直属企事业单位 (糖心视频)
|
景气指数
|
联系方式
您已登录成功!
用户名:
内部办公系统
会员管理系统
人事管理系统
档案管理系统
合同管理系统
党群管理系统
会议会展管理
新闻出版年检
电子邮件系统
信息发布系统
轻工业联合会
>
中轻联通知公告
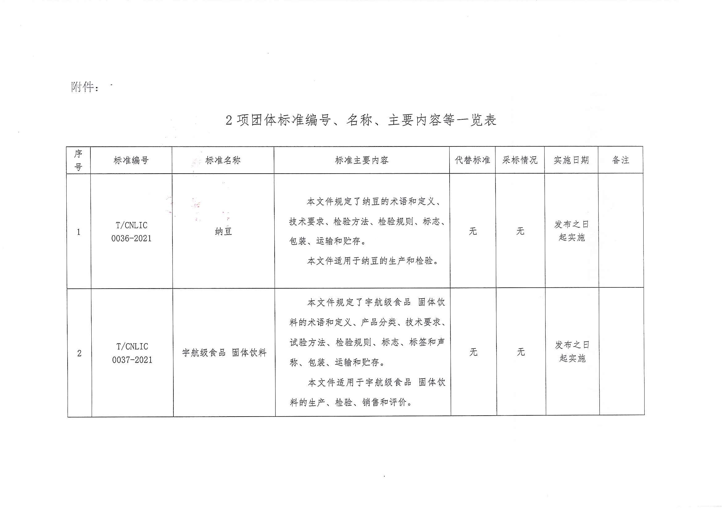
关于批准发布《纳豆》等2项团体标准的公告 (糖心视频免费观看)
2021-11-01 来源:
[打印本稿]
[字号
大
中
小
]
附件下载:
1、
2项团体标准编号、名称、主要内容等一览表