中轻网首页
English
"糖心视频在线" 收藏本站
邮件系统
|
行业综合服务平台
|
资产财务管理网
首页
|
简介
|
糖心视频在线
|
主要领导
|
糖心视频免费观看
|
糖心视频网站
|
代管协学会
|
"糖心视频免费观看" 分支机构
|
"糖心视频" 直属企事业单位
|
景气指数
|
联系方式 (糖心视频免费观看)
您已登录成功!
用户名:
内部办公系统
会员管理系统
人事管理系统
档案管理系统
合同管理系统
党群管理系统
会议会展管理
新闻出版年检
电子邮件系统
信息发布系统
轻工业联合会
>
全国行业职业技能竞赛
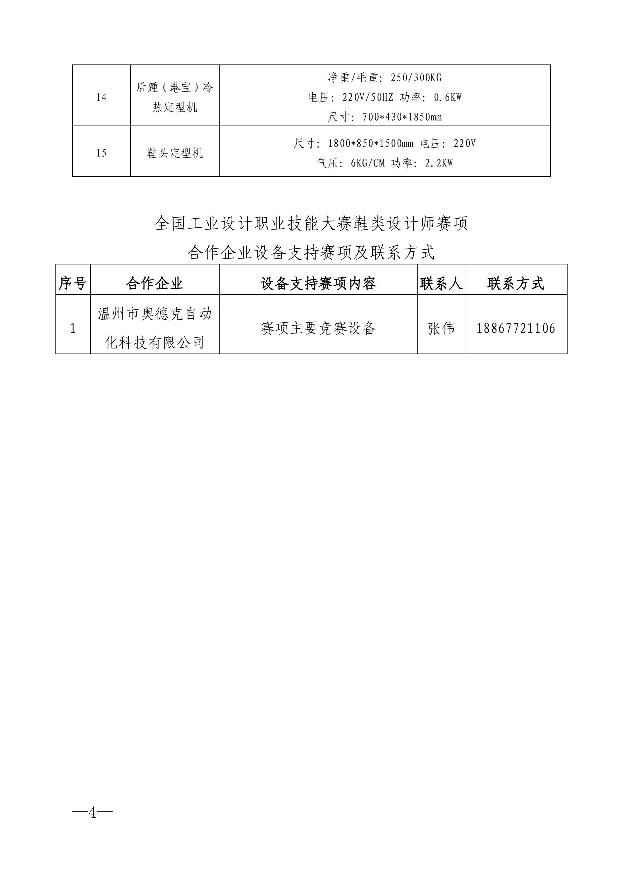
关于公布大赛鞋类设计师赛项合作企业及竞赛主要设备配置清单的通知
2021-10-20 来源:
[打印本稿]
[字号
大
中
小
]